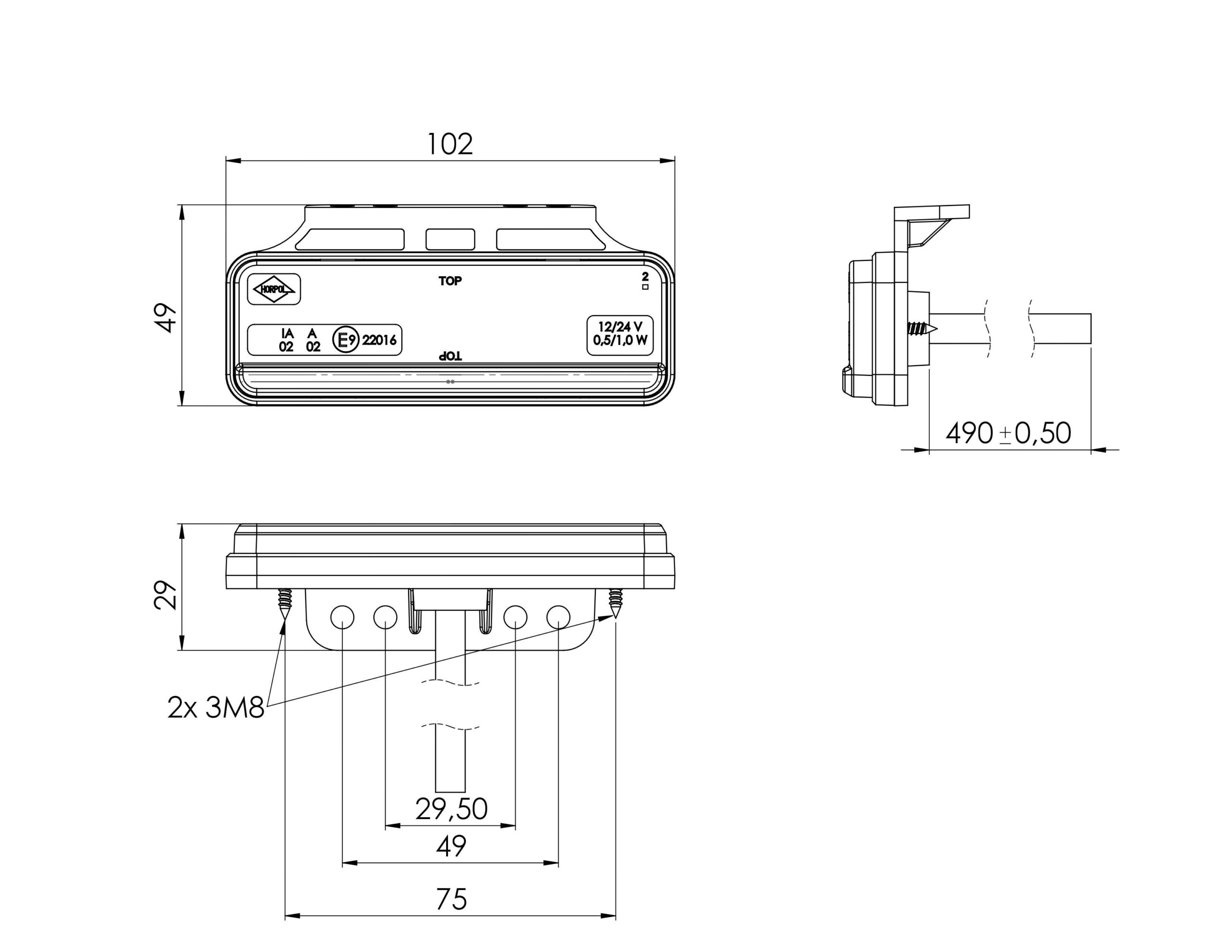
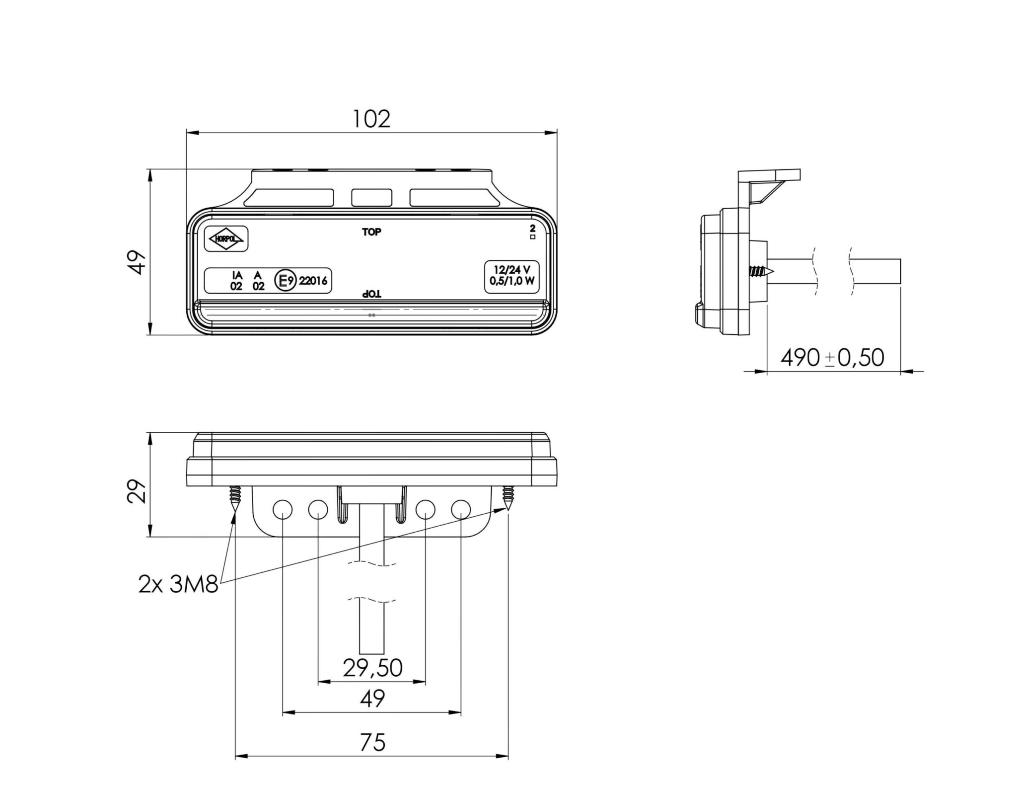
LD 2519
Lampa obrysowa slim XS –

Lampa obrysowa typu SLIM XS biała z wieszakiem

Dane techniczne

Lampa diodowa (LED)
tak
Kategoria lampy
obrysowa
Grupa lamp
HOR 93
Strona montażu
uniwersalna
Napięcie zasilające
12/24 V
Moc znamionowa
0,5/1 W
Klasa szczelności
IP 68
Światło obrysowe przednie
tak
Zakres temperatury pracy
od -30°C do +50°C

Pliki do pobrania

Lampa obrysowa slim XS - LD 2519 (rysunek techniczny) 1 (lampa-obrysowa-slim-xs-ld-2519-rysunek-techniczny-1.ZIP)
Pobierz
Lampa obrysowa slim XS - LD 2519 (załącznik) 1 (lampa-obrysowa-slim-xs-ld-2519-zalacznik-1.ZIP)
Pobierz
Lampa obrysowa slim XS - LD 2519 (załącznik) 2 (lampa-obrysowa-slim-xs-ld-2519-zalacznik-2.ZIP)
Pobierz
Lampa obrysowa slim XS - LD 2519 (rysunek techniczny) 2 (lampa-obrysowa-slim-xs-ld-2519-rysunek-techniczny-2.ZIP)
Pobierz
Lampa obrysowa slim XS - LD 2519 (rysunek techniczny) 3 (lampa-obrysowa-slim-xs-ld-2519-rysunek-techniczny-3.ZIP)
Pobierz
Cała zawartość strony (ld-2519.ZIP)
Pobierz

Cenimy prywatność użytkowników

Używamy plików cookie, aby poprawić jakość przeglądania, wyświetlać reklamy lub treści dostosowane do indywidualnych potrzeb użytkowników oraz analizować ruch na stronie. Kliknięcie przycisku „Akceptuj wszystkie” oznacza zgodę na wykorzystywanie przez nas plików cookie.

Dodano do oferty
Ilość:
logo
Podsumowanie zapytania ofertowego
Aby wysłać ofertę, dodaj produkty do listy
Wypełnij dane i wyślij zapytanie ofertowe
Wymagane jest wprowadzenie tego pola Wprowadzone imię jest niepoprawne
Wymagane jest wprowadzenie tego pola Wprowadzone nazwisko jest niepoprawne
Wprowadzony numer jest niepoprawny
Wymagane jest wprowadzenie tego pola Wprowadzony adres e-mail jest nieprawidłowy.
Wprowadzony NIP jest niepoprawny
Wymagane jest wprowadzenie tego pola
Wymagane jest wprowadzenie tego pola Wprowadzona wiadomość jest za krótka
Pobierz katalog